Piston cos 0,Ranger,Everest 2001-2006 - WLY811SA0D
Liên hệ
- Mã sản phẩm: WLY811SA0D
Xuất xứ: Thái Lan
WLY811SA0D,Piston cos 0,Ranger,Everest 2001-2006
giam
tang
I. PISTON
1. Công dụng piston
Piston là bộ phận chuyển động trực tiếp tiếp nhận lực tác dụng của khí cháy, qua chốt piston và thanh truyền làm quay trục khuỷu để sinh công. Ngoài ra piston cùng với nắp máy, xilanh tạo thành buồng cháy. ở động cơ hai kỳ, piston còn tác dụng như một van trượt đóng mở các cửa thổi, cửa nạp và cửa xả.2. Điều kiện làm việc piston
Trong quá trình động cơ làm việc, piston thường xuyên chịu lực tác dụng của lực khí cháy, nhiệt độ cao, chịu va đập mạnh và ma sát lớn.3. Vật liệu chế tạo piston
Piston thường được chế tạo bằng hợp kim nhôm hoặc gang. Piston hợp kim nhôm được dùng nhiều, vì có ưu điểm là: nhẹ, dẫn nhiệt tốt, hệ số ma sát nhỏ và dễ chế tạo. piston bằng gang thường chỉ dùng ở một số động cơ có số vòng quay thấp (n = 2000 - 2500vg/ph) hoặc làm việc với tải trọng lớn.4. Cấu tạo piston
Piston có dạng hình trụ rỗng, một đầu kín, trong có nhiều gân hay gờ để tăng độ bền, cấu tạo của piston được chia làm ba phần: đỉnh, đầu và thân (hình 20 – 3 a).| Cấu tạo pit tông |
a. Đỉnh piston
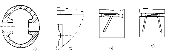
Dựa vào cấu tạo của buồng cháy, tỷ số nén, kích thước của xi lanh và phương pháp phun nhiên liệu...mà đỉnh piston có các dạng khác như: bằng, lồi hoặc lõm.
- Đỉnh bằng (hình 20 – 11a): diện tích chịu nhiệt nhỏ, cấu tạo đơn giản, được sử dùng nhiều ở động xăng, vì kết cấu buồng cháy nằm ở nắp máy.
- Đỉnh lồi (hình 20 - 11b): có sức bền lớn, đỉnh mỏng, nhẹ nhưng diện tích chịu nhiệt lớn. Loại này thường được sử dụng trong động cơ xăng bốn kỳ xu páp treo.
- Loại đỉnh lồi dạng (hình 20 - 11c) thường được sử dụng ở động cơ xăng hai kỳ không có xupáp.
- Đỉnh lõm (hình 20 - 11d): có thể tạo ra xoáy lốc nhẹ, tạo điều kiện cho việc hình thành hoà khí và cháy. Tuy nhiên, diện tích chịu nhiệt lớn hơn so với đỉnh bằng. Loại này được dùng nhiều trên cả động cơ xăng và động cơ diesel. Ngoài ra trên động cơ diesel có thể sử dụng các dạng đỉnh piston như hình (e, g, h, f).
| Đỉnh piston |
b. Đầu piston
- Đầu piston được giới hạn từ đỉnh piston đến rãnh xéc măng dầu cuối cùng trên bệ chốt piston.
- Đường kính đầu piston thường nhỏ hơn đường kính thân (hình 20 – 10b). Cấu tạo đầu piston phải đảm bảo các yêu cầu sau:
ü Bao kín buồng cháy: thông thường người ta dùng xéc măng để bao kín. Vì vây, đầu piston có các rãnh để lắp các xéc măng khí và xéc măng dầu. Số rãnh xéc măng tuỳ thuộc vào loại động cơ.
ü Tản nhiệt tốt cho piston: Phần lớn nhiệt của piston truyền qua xéc măng và xi lanh đến môi chất làm mát.
- Để tản nhiệt tốt đầu piston thường có cấu tạo như sau:
ü Phần chuyển tiếp giữa đỉnh và đầu có bán kính R lớn.
ü Dùng rãnh ngăn nhiệt để giảm lượng nhiệt truyền cho xéc măng thứ nhất.
- Sức bền cao: Để tăng sức bền và độ cứng vững cho bệ chốt người ta chế tạo các gân chịu lực.
| kết cấu đầu pit tông |
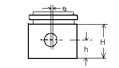
c. Thân pit tông
Thân piston có nhiệm vụ dẫn hướng cho piston chuyển động trong xilanh.
Chiều cao của thân piston (H) được quyết định điều kiện áp suất tiếp xúc do lực ngang N gây ra.
Thân piston động cơ diesel thường dài hơn thân piston của động cơ xăng và phần đáy thường có thêm 1 - 2 xéc măng dầu. Thân piston của động cơ hai kỳ không có xu páp thường làm khuyết hoặc có lỗ phía dưới để tạo điều kiện cho hoà khí từ bộ chế hoà khí nạp vào các te của động cơ.
Vị trí tâm bệ chốt thường bố trí cao hơn trọng tâm của thân piston để chịu lực ngang N và ma sát gây ra phân bố đều hơn, h = (0,6 - 0,7)H. Một số động cơ có tâm lỗ chốt piston lệch với tâm xilanh một khoảng e về phía nào đó sao cho lực ngang NMax giảm (hình 20 - 6) để hai bên của piston và xilanh mòn đều.
| Vị trí bệ chốt pit tông |
Để chống bó kẹt piston trong xi lanh trong quá trình làm việc do chịu lực ngang N, lực khí thể, kim loại giãn nở, người ta sử dụng các biện pháp sau:
- Chế tạo thân piston có dạng ô van (hình 20 - 13a), trục ngắn trùng với tâm chốt piston;
- Tiện vát hai đầu bệ chốt (hình 20 – 13b)
- Xẻ rãnh giãn nở trên thân piston (hình 20 - 13 c, d). Loại này có ưu điểm là khe hở nhỏ, động cơ không bị gõ, khởi động dễ, nhưng độ cứng của piston giảm nên chỉ dùng ở động cơ xăng.
- Khi đúc piston người ta gắn thêm miếng hợp kim có độ giãn nở hầu như không đáng kể vào bệ chốt pit tông để hạn chế giãn nở theo phương vuông góc với tâm chốt.
| Các biện pháp chống bó kẹt piston |
- CÔNG TY CỔ PHẦN THƯƠNG MẠI VÀ DỊCH VỤ MẠNH TÙNG
- Lô B11C Đầm Trấu, Phường Bạch Đằng, Quận Hai Bà Trưng, TP Hà Nội,
- 0912.563.567 - 090.222.98.95
Vui lòng liên hệ chủ website.
WLY811SA0D,Piston cos 0,Ranger,Everest 2001-2006

